| ZSHV/ZSSV系列氣動V型球閥 |
| 產品型號:ZSHV/ZSSV |
|
|
產品概述:
產品特點
1、球芯為帶V形切口的部分球體,在小開度范圍內V形切口貼著閥座轉動,具剪切、自潔作用,特別適合控制含有纖維、微小顆粒、料漿的流體。
2、閥座具自動補償功能,保證密封性能優越,使用壽命長。
3、結構新穎、緊湊、全開時流通能力大、壓力損失小。
4、體積小、重量輕。
用途
廣泛用于石油、化工、冶金、制藥、食品、造紙、輕紡、電力等工業領域的控制調節系統,尤其適用于含纖維、小顆粒料漿等流體介質的控制。 |
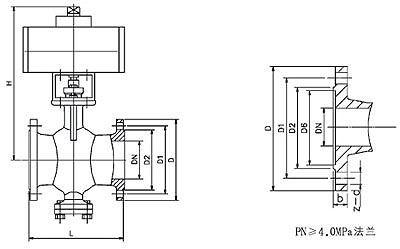
外型尺寸及結構圖:

|
主要性能參數:
|
|